Guido Socher (homepage)
L'autore:
Guido adora Linux non solo per il fatto che sia divertente scoprire
le grandi possibilità di questo sistema, ma anche per le persone che
sono coinvolte nel suo sviluppo.
Tradotto in Italiano da:
Toni Tiveron <toni(at)amicidelprosecco.com>
Contenuto:
|
Un pannello di controllo LCD per il Vostro server Linux
Premessa:
In questo aricolo tratteremo della costruzione di un display LCD
utilizzato come pannello di controllo basato sul display Hitachi HD44780
ed il microntrollore, AVR ad 8bit in tecnologia RISC, AT90S4433 della
Atmel. Entrambi i componenti sono di facile reperibilità e non molto
costosi. Il pannello di controllo comprende la funzionalità di watchdog
per supervisionare il computer medesimo ed ha due pulsanti che
permettono all'utente di interagire con il sistema. Così potete settare
l'IP, la maschera di sottorete, l'indirizzo del gateway, spegnere il
computer, leggere delle statistiche, insomma più o meno quello che
desiderate fare in quanto la logica è implementata per mezzo di uno
script in perl che può facilmente esser modificato. Questo pannello sarà
collegato al vostro server Linux per mezzo di una porta seriale (una
RS232).
Per poter procedere con questo articolo dovete prima aver installato il
software come descritto nell'articolo intitolato Programmare il microcontrollore
AVR con GCC.
Introduzione
Questo progetto unisce assieme le funzionalità di hardware che abbiamo
già visto in alcuni articoli precedenti:
Questo nostro nuovo progetto tuttavia è un ulteriore passo avanti
rispetto alla semplice unione di questi componenti. Difatti aggiungeremo dei tasti che
permettono all'utente di interagire ed aggiunge la funzionalità di
watchdog hardware per supervisionare il nostro server Linux. In aggiunta
a tutto ciò il nostro pannello fornisce una linea di ingresso analogica,
che noi ora non utilizzeremo. La si potrebbe usare, per esempio, per
collegare un sensore di temperatura....
Per realizzare il tutto è bene che abbiate delle conoscenze basilari di
elettronica, è sufficiente a livello hobby. I componenti che
utilizzeremo sono economici ed il costo complessivo dovrebbe aggirarsi
sui 40 Euro.
Il concetto alla base di questo pannello è di dare all'utente la
possibilità di controllore il Vostro server senza l'ausilio nè di
tastiera nè di monitor. Linux è un sistema operativo molto stabile ed
affidabile e può facilmente esser controllato da remoto. Tuttavia la
prima volte che lo collegate alla rete avete la necessità di configurare
un indirizzo IP, il relativo gateway e la sottomaschera di rete. Il
nostro pannello vi permette di configurare questi indirizzi. Vi dà anche
la possibilità di spegnere il server mentre siete nella stanza dei
server.
Il design per questo pannello è generico. Tutte le parti inetenti il
Server sono implementate per mezzo di uno script in perl. Tutto l'hardware,
i pulsanti di stato, il testo sul display, i LED... insomma il
complesso viene controllato attraverso una serie di comandi ASCII. Potete
tranquillamente utilizzare il progetto per costruire un lettore mp3 o un
controllo per vostro tostapane... insomma qualsiasi cosa la vostra
fantasia possa suggerire.
Il materiale necessario
Per assemblare il progetto vi serve il seguente materiale elettronico:
1 x Miconcotrollore Atmel At90S4433
1 x zoccolo 28pin 7.25 mm
1 x zoccolo 16pin
1 x CI MAX232
1 x relay da 5V di piccole dimensioni (meglio se formato ISO DIL)
1 x cristallo di quarzo da 4MHz
2 x LED (rosso e verde)
1 x transistor BC547 NPN
1 x transistor BC557 PNP
4 x condensatore da 1uF (va bene sia comune che polarizzato)
2 x condensatore ceramico da 27pF
1 x condensatore da 10nF
1 x condensatore da 100nF
3 x resistenze da 4k7
2 x resistenze da 2k2
1 x resistenza da 10K
1 x resistenza da 3k3
2 x resistenze da 100 Ohm
3 x resistenze da 470 Ohm
3 x resistenze da 1k
1 x resistenza da 220 Ohm
1 x trimmer (potenziometro) da 4K7
1 x diodo zenerer da 4.3V
1 x basetta fotosonsibile monofaccia
2 x tasti di piccole dimensioni
1 x diodo al silicio comune (per esempio un 1N4148, o altro diodo
economico)
1 x display LCD da 2 righe e 20 caratteri compatibile con HD44780.
Tutti i display LCD che io ho sperimentato come compatibili con l'
HD44780 hanno o 14 o 16 pin. Potete, se volete, utilizzare display a 3 o
4 righe, nel qual caso dovrete modificare un poco il software.
In aggiunta a tutto questo vi serviranno alcuni fili e dei connettori di
alimentazione e per interfacciarsi alla porta seriale RS232. Se
utilizzerete un display a due righe potrete fissarlo in un piccolo
telaietto di alluminio delle dimensioni di una periferica da 5.25".
Lo schema.
Io ho utilizzato eagle per linux per disegnare la basetta. Si tratta di
un ottimo software, ma necessita di prendere un poca di confidenza con
esso. Potete scaricarne una versione free, solo per uso privato, dal sito
della cadsoftusa.com.
Lo schema elettrico (click per accedere ad una immagine più grande):
Il circuito stampato (click per accedere una immagine più grande):
La basetta contenente sia le piste che la disposizione dei componenti,
su
sfondo neutro , per stamparla più agilmente:
(Nota: questo non è il file che vi serve per creare il layout
delle piste.)
I file in formato eagle (compressi con gzip; vi ricordo che alcuni
browser la decomprimono autmaticamente durante il download):
Lo schema elettrico
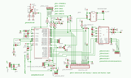
Vi spiegherò brevemente lo schema elettrico. L'AT90S4433 ha 3 porte: PB,
PC e PD. PC può essere utilizzata come ingresso sia analogico che
digitale. Tutte le altre porte possono essere utilizzate sia come
ingresso che uscita sia in digitale che in analogico. Queste
caratteristiche sono cotrollate per mezzo del software per mezzo della
DRR (Data Direction Register = registro della direzione dei dati). Noi
utilizzeremo tutti i pin tranne il 23 che è solo per linee non digitali (0/
5Volt - TTL). Il chip MAX232 è un adattatore di livello. La porta RS232
utilizza segnali +-10V ed il MAX232 li converte in 0/5V. Sul pin 1
(pin di reset) dell'AT90S4433 trovate il circuito Brownout. Questo
circuito mantiene lo stato del reset a livello logico 0 (attivo) per
prevenire che, nel caso di alimentazione insufficiente, induca la CPU ad
eseguire erronee istruzioni o indurre ad un malfunzionamento
generalizzato. Questo potrebbe avvenire per alcuni millisecondi durante
la fase di accensione o di spegnimento. Potremmo riassumere dicendo che
questo circuito ci garantisce un avvio del programma in situazione
pulita.
Qualcuno di voi potrebbe chiedersi perchè quel diodio sia in parallelo
alla bobina del relè e sia collegato in quello strano modo - con la
polarità invertita -. Questo diodo ha una funzione essenziale!
Allorquando si rilascia il relè, la bobina di quest'ultimo
genera una elevata extratensione che danneggerebbe di sicuro il nostro
micontrollore. Questa alta tensione ha polarità inversa rispetto a
quella applicata alla bobina. Il diodo non è un modello particolare ma
un comune economico diodo, ma di importanza vitale per il nostro cicuito.
Creiamo il circuito stampato
Per incidere il circuito stampato avete bisogno di stampare questo
file postscript
(linuxlcdpanel.ps.gz) su di un lucido. Lo potete trovare nelle
eliografie. Di norma viene chiamato Sinolit. Questo prodotto è della
Regulus ed è comunemente usato per la stampa offset. Un'altra ottima
alternativa è quella di ricorrere ad un foglio di carta da 60gr/mq ed
uno spray trasparente (per esempio il pausklar 21 della Kontakt Chemie).
Il vantaggio nell'utilizzo di una di queste due soluzioni è che il toner
di una stampante laser si fissa bene e crea una ottima opacità nella
stampa favorendo un ottima impressione della basetta.
Ho convertito il file postscript in uno PDF per coloro che
non hanno un sistema di stampa postscript. Tuttavia la qualità ne
risente.
Il tempo di esposizione della basetta fotosensibile dipende dalla tipo
di luce che si utilizza. Per una comune lampada solare, di uso casalingo,
il tempo è circa di 1-2 minuti. Potete utilizzare anche la luce solare
ma cercate di evitare una esposizione diretta alla luce (i raggi
solari sono troppo forti). Vi consiglio di effetture delle prove su dei
ritagli di basetta prima di esporre alla luce tutta la basetta col
circuito.
![[Dopo lo sviluppo]](../../common/images/article236/pic01_beforeetching_th.jpg) |
| La basetta esposta |
La basetta esposta deve esser sviluppata per alcuni minuti. Dovrà quindi
esser immersa in NaOH (idrossido di sodio). Dopo questa operazione
dovrete controllore attentamente il risultato ed eventualmente apportare
delle correzioni. Nel caso alcune tracce non siano buone potete
correggerle per mezzo di pennarelli appositi come l' Eddin 780 (non si
deve usare pennarelli permanenti ma pennarelli a vernice). Di norma creo
delle basette leggermente più grandi di quanto Edge non consigli. Le
ritengo un poco troppo piccole per un uso hobbistico.
![[dopo l'immersione in acido]](../../common/images/article236/pic02_boardready_th.jpg) |
| La basetta finita, dopo l'immersione in acido, pronta per la
foratura |
Nota: Dato che non sembra esservi uno standard per la piedinatura dei relè
potebbe esser necessario modificare leggerlmente il layout dello
stampato. Io ho utilizzato un relè della Matsushita a 5V.
Allorquando sarete soddisfatti del layout del vostro circuito stampato,
potrete procede all'acidazione del medesimo con del FeCl3 (Cloruro
Ferrico). FeCl3 ha una buoan cacapacità erosiva a temperatura ambiente.
Si tratta di un acido semplice da utilizzare anche in ambito casalingo.
Otterrete risutlati migliori immergendo la basetta in verticale in un
contenitore lungo e stretto. Dato che gli ioni di rame (Cu+) sono più pesanti
degli ioni di ferro (Fe+) alla fine del processo troveremo nel fondo del
contenitore gli ioni di rame.
Quando la basetta è pronta; ripulitela con della trementina per rimuovere
le correzzioni effettuate con il pennarello. Potete lasciare la
pellicola fotosensibile sulle piste. Essa evaporerà naturalmente quando
andrete a saldare, offrendo così una protezione per le piste di rame.
Il software per il microcontrollore
Il software per il microcontrollore è composto dai seguenti file:
- lcd.c, lcd.h,
lcd_hw.h: Si tratta di una libreria generica per la gestione degli
LCD per mezzo degli avr. È basata sul lavoro svolto da Peter Fleury (
http://jump.to/fleury) Questa
versione è stata leggermente adatatta e più flessibile. Vi permette,
infatti, di collegare il display a qualsivoglia pin del
microcontrollore. Per fare ciò dovete solo cambiare le dichiarazioni
nel file lcd_hw.h.
- avr-util.c,
avr-util.h: funzioni per gestire i delay.
- uart.c, uart.h:
Questa libreria permette la gestione dell'ìnterfaccia RS232. Sfrutta
gli interrupt hardware. Ogni qualvolta un carattere è ricevuto dal
computer la funzione SIGNAL(SIG_UART_RECV) viene eseguita ed i dati
sono copiati dal buffer di ricezione in una stringa di buffer. Il
set di comandi implementato in questo display fa si che ogni comando
termini con il carattere di nuova riga. Quando viene letto il
carattere di nuova riga, viene settato il flag (uart_rx_linecomplete)
ed i dati sono resi quindi disponibili al pannello. Questo significa
che non potete inviare i dati al display il più rapidamente possibile,
ma dovete attendere alcuni millisecondi tra una linea e l'altra. Ogni
comando ha un responso di acquisizione (ACK) che può dare come
risultato o ok o err (nel caso di errore). Il piccolo programma-driver
scritto in perl può tuttavia utilizzare un trigger per inviare
il comando seguente.
- analog.c,
analog.h: Codice per il convertitore da analogico a digitale. Anche
questo sfrutta gli interrupt. Una singola conversione viene iniziata
ed il programma attende il segnale dell'interrput SIG_ADC per
acquisirne il risultato dai registri ADC.
- hardwarewd.c,
hardwarewd.h: Si tratta del watchdog. Si ricorre ad un divisore
interno (per 1024) per ottenere l'impulso di riferimento. Il timer è
costituito da un registro a 16 bit che quando arriva all'ovewflow
fa si che noi si faccia un decremento di una variabile di 8 bit. Con
un oscillatore a 4MHz eseguiamo questo decremento ogni 16 secondi. Il
programma in perl esegue un incremento della variabile in questione
segnalando lo stato di buon funzionamento del computer. Se il
programma fallisce l'incremento (a causa di un blocco del computer),
allorquando questa variabile arriva a zero, in quanto decrementata nel
tempo, il circuito si aziona attivando il relè, le cui uscite mettono
in corto i pin di reset del nostro PC.
- linuxlcdpanel.c:
si tratta del programma principale. Esegue un controllo continuo per
eventuali comandi e pressioni di tasti sulla porta RS232.
Per comprendere appieno il software vi consiglio di leggere bene il
datasheet del microcontrollore. È disponibile nella sezione riferimenti
alla temine di questo articolo. (o dal sito www.atmel.com)
Sebbene per usare questo pannello non sia necessario che comprendiate
il suo software, vi serve solo decomprimere ed estrarre il codice
sorgente dell'archivio (scaricate linuxlcdpanel-0.7.tar.gz from dalla pagina dei download) e digitate :
make
make load
oppure utilizzare la versione del software precompilata e caricatela nel
microcontrollore con il comando
make loadprebuild
Molto semplice, no? Potete trovare una descrizione inerente la
programmazione del microcontrollore nel primo articolo di questa serie:
Programmare il microcontrollore
AVR con GCC.
Verifica di funzionalità del pannello LCD
Il pannello LCD è studiato per funzionare con i 5V dell'alimentatore
interno del PC (cavo rosso=5V, cavo nero=massa). Tuttavia è bene che la
prova non la facciate collegando il display a questa fonte di
alimentazione, in quanto il vostro alimentatore è assai robusto, ma la
piastra madre ed il resto della componentistica, potrebbero fare una
fumata a causa di un errore, fatto o nell'assemblaggio o durante la fase
di saldatura. Verificatene la funzionalità dapprima con un alimentatore
elettronico stabilizzato e limitato in corrente! Ora eseguite il
download nella EEPROM come precentemente descritto. Dopo questa
operazione noterete un banner nel display che recita "linuxfocus.org".
Ora collegate il cavo seriale all'interfaccia RS232:
pin 14 del MAX232 al sengale CTS (DB-9: pin 8)
pin 7 del MAX232 al segnale RXD (DB-9: pin 2)
pin 13 MAX232 al segnale TXD (DB-9: pin 3)
Dovete anche collegare il segnale DTR,DSR e CD tra di loro (DB-9: pin 4,
6 ed 1)
Questo è ben documentato nello schema elettrico precedente.
Per utlizzare una linea seriale, prima la si deve
inizializzare. il file linuxlcdpanel-0.7.tar.gz, contenente il codice
sorgente, include un programma che ha per nome ttydevinit che, per l'
appunto, inizializza questa linea. Per esempio, poniamo, che voi abbiate
collegato il pannello alla porta COM2 (ttyS1), dovrete dare il seguente
comando una sola volta:
./ttydevinit /dev/ttyS1
Ora il driver per la linea seriale in questione è inizializzato a 9600
Baud e voi potrete iniziare a "dialogare" con il vostro pannello LCD.
Aprite due xterm in X-Windows. In una digitate "cat /dev/ttyS1", e nell'
altra "cat > /dev/ttyS1". Ora potete, per esempio digitare il comando
l=11 (accendi il LED nr. 1) o l=10 (spegni il LED nr. 1). Potete vedere
nella prima, delle due console xterm, l'acknowledge (ovvero la risposta)
al vostro comando ("ok").
Tutti i comandi sono spiegati nel fileREADME.commands (in lingua inglese).
L'archivio contentente il codice sorgente include uno script in perl
(ttytest.pl) la cui funzione è null'altro tranne che far lampeggiare il
led rosso. L'idea di base è di fornire un semplice esempio per far
vedere come si possa gestire un pannello LCD. Potete usare questo codice
come base per i vostri programmi. Date liberamente una occhiata al
codice in questione. È bene avere un poca di conoscenza del linguaggio
perl anche se questo programma è breve.
Colleghiamo il watchdog
Il sistema di supervisione è normalmente spento. Per attivarlo dovete
usare il comando w=1 e definire il suo timeout con s=x, dove x è un
valore compreso tra 1 e 255. - per esempio s=10 permetterà al watchdog
di avere un tempo di timeout pari a 10*16sec, ovvero 160 secondi.- È
essenziale definire il tempo di timeout o il sistema potrebbe esser
indotto a forzare un reboot della macchina. Difatti se il server si
dovesse bloccare, il programma non ri-definirebbe più il corretto timeout
inducendo il watchdog ad attivarsi. So che un server Linux non si ferma
mai. Tuttavia, nei rari casi in cui si ferma, non trovate mai nessuno
che possa premere il tasto di reset o nessuno ricorda più dove esso sia
in quanto sono anni che lo usano ma che non vi sono stati problemi.
Il watchdog è stato studiato dimodochè possa intervenire solo una volta.
La ragione di questo è da ricercarsi nel fatto che, al riavvio del
sistema, quest'ultimo potrebbe impiegare molto tempo per efettuare il
check del file system. Quando, alla fine, il server sarà nuovamente
online. Il software a quel punto riattiverà il driver per effettuare il
pool.
Per collegare fisicamente il Vostro watchdog divete trovare quali siano
i fili che fanno capo al pulsante di reset del vostro server. In
parallelo a questo colleghere i cavi che vanno al nostro relè.
Come utlizzare il watchdog
Il watchdog ha la funzione di garantire la capacità del sistema (inteso
come Sistema Operativo) di eseguire operazioni, non che il server web o il
database sia online. Per verificare la permanente funzionalità di questi
programmi dovrete ricorrere alle funzionalità del cron. Posiamo
considerare sufficientemente affidabile la crontab, in quanto il watchdog
assicura che, in generale, sia in esecuzione.
Potete, per esempio, creare uno script, per mezzo della crontab, che ogni
15 minuti effettui il download di una pagina. Dovrete però prestare
attenzione a che, questo download, potrebbe anche portare ad un responso
negativo se si tratta di un server ad elevato traffico. Dovrete quindi
valutare le risposte. Per esempio se risponde una sola volta nelle ultime
10 richieste è bene che forziate un restart del web server, o un normale
reboot, piuttosto che ricorrere ad reset fisico (non quindi un reset
harwdware indotto dal watchdog).
Oltre a supervisionare lo stato delle applicazioni, è essenziale
monitorare lo stato d'occupazione dei dischi. Il seguente set di comandi
daranno una responso allorquando uno dei filesystem superi l'80% di
occupazione:
df | egrep ' (8.%|9.%|100%) '
Anche questa serie di comandi può essere inserita come voce nella crontab
per avere una costante supervisione dell'uso dei dischi.
Gli script del server
La maggior parte della logica di controllo del nostro pannello LCD è
implementata per mezzo di uno script in perl: llp.pl. Copiate questo
script nella cartella /usr/sbin. Copiate successivamente il programma ttydevinit
nella cartella /usr/bin ed il file ifconfig_llp.txt (contenuto nella
cartella etc ove si trovano i file sorgenti) in /etc. Modificate ora il
file ifconfig_llp.txt ed apportate le modifiche di indirizzo IP secondo le
vostre esigenze (qui trovate un esempio):
NETMASK=255.255.255.0
IPADDR=10.0.0.4
GATEWAY=10.0.0.2
Fate ora una copia di backup del seguente script: /etc/rc.d/init.d/network
e sostituitelo con lo script etc/network preso dalla cartella dei sorgenti.
Questo script ed i nomi delle cartelle sono validi solo per le
ditribuzione RedHat e Mandrake di Linux. Lo script etc/network_all_distributions
è basilare e dovrebbe funzionare con tutte le distribuzioni di Linux, ma
dovete capire dove la vostra distribuzione abbia gli script di init/rc.
Questi parametri cambiano leggermente da distribuzione a distribuzione.
Modificate il file /etc/rc.d/init.d/network e cambiate la riga
/usr/sbin/llp.pl /dev/ttyS1&
Se il watchdog non è collegato alla COM2.
Ora potete eseguire il seguente comando.
/etc/rc.d/init.d/network start
e vedere il nostro pannello LCD in azione. Nota: il nostro pannello salva e
modifica l'indirizzo IP. I cambiamenti hanno effetto solo dopo il reboot
seguente. Potete fare delle prove cambiandolo e poi ripristinando i valori
di prima. È bene che facciate in ogni caso una prova riavviando poi il
server. Alla fine potete o ripristinare la copia di backup o editare a
mano il file /etc/ifconfig_llp.txt per ripristinare i valori.
I file di log
Lo script llp.pl genera un file di registro (/var/log/llp.log). Questo
file crescerà molto lentamente. Non vi dovrebbe quindi esser la necessità
di farne il rotate (ovvero quella procedura che crea un copia del file
attuale e ne crea uno nuovo di dimensione 0). Potete effettuare il rotate
di questo file con il programma logtate, se lo desiderate. Non vi è la
ncessità di fare operazioni dopo il rotate. La riga di configurazione del
rotate (all'interno dello script logrotate) potebbe essere:
/var/log/llp.log {
nocompress
monthly
}
Il file di registro contiene le voci inerenti lo spegnimneto manuale ed il
cambio delle configurazioni di rete (cambio di indirizzo IP, di gateway o
sottomaschera di rete) o quando il watchdog ha forzato un riavvio.
Ovviamente sarà impossibile avere delle voci inerente il timeout del
watchdog (difatti il sistema era bloccato!), ma troveremo un voce per
questo tipo di problematica aggiunta al riavvio del sistema.
Il pannello al lavoro.
Qui trovate alcune immagini del pannello LCD in uso. Queste non sono tutte
le funzioni offerte dal pannello. Ve ne sono molte altre che potrete
aggiunere voi stessi.
La finestra principale. Mostra alcuni nomi (in questo caso linuxfocus), il
tempo di uptime ed il carico medio del server. Queste informazini sono
aggiornate periodicamente.
Il menu di impostazione della rete
Esempio del cambio di indirizzo IP
Come variare l'indirizzo del gateawy (la route predefinita)
Conclusioni
Per assemblare questo pannello LCD è necessaria una conoscenza basialre
dell' elettronica. Il nostro Pannello LCD per Linux offre moltissime
funzionalità, molte di più di quelle che io abbia visto su altri prodotti
simili, e, soprattutto, ha un costo modesto.
Buon lavoro :-)
Bibliografia
Discussioni su quest'articolo
ogni articolo possiede una sua pagina di discussione, da questa pagina puoi inviare un commento o leggere quelli degli altri lettori:
2002-03-14, generated by lfparser version 2.25