von Guido Socher (homepage)
Über den Autor:
Guido mag Linux nicht nur, weil es Spaß macht, die
großartigen Möglichkeiten, die dieses System bietet
zu entdecken, sondern auch wegen der Leute, die an seiner
Entwicklung beteiligt sind.
Übersetzt ins Deutsche von:
Guido Socher (homepage)
Inhalt:
|
Eine LCD Anzeige und Steuertasten für den Linux Server
Zusammenfassung:
In diesem Artikel entwickeln wir ein LCD Kontrollfeld basierend
auf einem Hitachi HD44780 LCD Display und dem AT90S4433 AVR
8-Bit RISC Microcontroller von Atmel. Beides sind
geläufige Komponenten und sind nicht zu teuer. Das
Kontrollfeld enthält neben Anzeige und zwei Tasten eine
Watchdog, um den Server zu überwachen. Mit Hilfe der
Anzeige und den Tasten kann man einen Dialog mit dem Benutzer
führen und einigen Sachen einstellen. Man kann die IP
Adresse, Netzmaske und Gateway Adresse setzen, außerdem
ist es möglich den Rechner herunterzufahren (shutdown)
oder Statistiken abzufragen. Eigentlich gibt es fast
unbegrenzte Möglichkeiten. Der größte Teil der
Logik ist in einem Perlscript implementiert und die ganze
Schaltung ist über die RS232 Schnittstelle mit dem Server
verbunden.
Für diesen Artikel brauchst du wenigstens Teile der Linux
AVR Entwicklungsumgebung. Wie man diese Linux AVR
Entwicklungsumgebung aufsetzt ist in dem Artikel "Programmierung des AVR
Microcontroller mit GCC" beschrieben.
_________________ _________________ _________________
|
Einführung
Die hier entwickelte Schaltung kombiniert Funktionalität,
die schon in zwei vorhergegangenen Artikeln beschrieben wurde:
Unsere Neuentwicklung geht jedoch weit über das hinaus.
Die neue Hardware enthält zwei Tasten für den Dialog
mit dem Benutzer und eine Watchdog, um den Server ständig
zu überwachen. Es ist außerdem ein analoger Eingang
vorhanden, den wir hier jedoch nicht benutzen. Man könnte
z.B einen Temperaturfühler anschließen.
Um diese Schaltung aufzubauen, braucht man etwas Geschick und
Erfahrung im Bereich Hobbyelektronik. Die Bauteile für die
Schaltung sind nicht teuer und kosten alle zusammen weniger als
40 Euro.
Die Idee hinter dem LCD Kontrollfeld ist, daß man damit
einen Server ohne Monitor und Tastatur bedienen kann. Linux ist
ein sehr zuverlässiges Serverbetriebssystem und kann gut
per ssh, telent oder remote login verwaltet werden. Wenn man
die Server jedoch das erste Mal mit dem Netzwerk verbindet,
muß man eine IP Adresse, Netzmaske und Gateway setzen.
Mit diesem Kontrollfeld kann man das machen. Es bietet
außerdem die Möglichkeit, den Server
herunterzufahren während man noch im Serverraum ist.
Das ganze Kontrollfeld ist sehr allgemein gehalten. All die
Server spezifischen Teile sind in einem Perlscript
implementiert. Die gesamte Hardware, der Zustand der Tasten,
der Text im Dispaly, LEDs, ..., kann über ASCII Kommandos
gesteuert werden. Man kann daher dieselbe Schaltung
übernehmen, um einen mp3 Spieler zu bauen oder einen
Toaster zu steuern, was immer du möchtest.
Benötigte Bauteile
Um dieses Kontrollfeld zu bauen, benötigst du die folgenden
Teile:
1 x Atmel At90S4433 Microcontroller
1 x 28pin 7.25 mm IC Sockel
1 x 16pin IC Sockel
1 x MAX232
1 x kleines 5V Relai
1 x 4MHz Quarz
2 x LEDs (grün und rot)
1 x BC547 NPN Transistor
1 x BC557 PNP Transistor
4 x 1uF Kondensator (Folie oder Elko)
2 x 27pF Keramikkondensator
1 x 10nF Kondensator
1 x 100nF Kondensator
3 x Widerstand 4k7
2 x Widerstand 2k2
1 x Widerstand 10K
1 x Widerstand 3k3
2 x Widerstand 100 Ohm
3 x Widerstand 470 Ohm
3 x Widerstand 1k
1 x Widerstand 220 Ohm
1 x 4K7 Poti (Bauform so klein wie möglich)
1 x Z-Diode 4.3V
2 x kleine Taster
1 x Diode (e.g 1N4148, irgendeine kleine billige Diode)
1 x 2 Zeilen 20 Zeichen LCD Display mit HD44780 kompatiblem
Interface.
Alle LCD Displays mit 14 oder 16 Anschlüssen, die ich
jemals gesehen habe, waren HD44780 kompatibel. Man kann auch
ein 3 oder 4 zeiliges Display benutzen, aber dann muß man
die Software für den Microcontroller etwas anpassen.
Zusätzlich zu diesen Teilen braucht man noch Drähte
und Anschlüsse für Stromversorgung und RS2322. Das
zweizeilige Display kann man an einem gebogenen Aluminiumblech
befestigen und dann in einem freien 5.25" Schacht am Server
montieren.
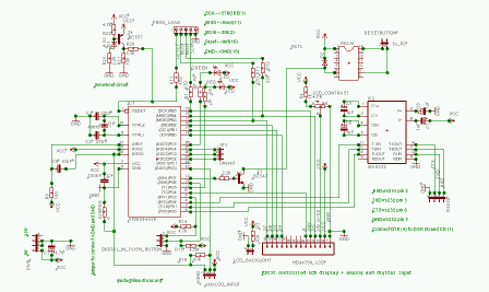
Schaltplan und Platine
Ich habe Eagle für Linux benutzt, um den Schaltplan und die
Platine zu entwerfen. Es ist eine ausgezeichnete Software, aber
es braucht Zeit bis man sie bedienen kann. Für private
Zwecke kann man eine kostenlose Version von Eagle bei cadsoftusa.com erhalten.
Der Schaltplan (mit einem Klick auf den Plan erhält man
ein größeres Bild):
Die Platine (mit einem Klick auf die Platine erhält man
ein größeres Bild):
Die Platine mit weißem Hintergrund, um das Drucken
erleichtern: Platine
in weiß (Achtung: Das ist nicht die Datei, die
man zum Belichten der Platine braucht)
Die Eagle Dateien (komprimiert mit gzip. Achtung einige
Webbrowser un-zippen die Dateien schon beim Herunterladen):
Die Schaltung
Ich werde kurz den Schaltplan erklären. Der AT90S4433 hat
3 Ports: PB, PC und PD. PC kann als analoger oder digitaler
Eingang benutzt werden. Alle Ports können als digitale
Ein- oder Ausgänge benutzt werden. Dieses wird per
Software über das DDR (Data Direction Register)
festgelegt. Wir benutzen alle Pins bis auf 23 als digitale Ein-
oder Ausgänge (0 oder 5V). Der Max232 ist ein
Spannungswandler. Das RS232 Interface benutzt +-10V und der
Max232 konvertiert das in 0-5V. An Pin 1 (Reset) befindet sich
etwas namens Brownout-Schaltung. Diese Schaltung hält den
Reset auf 0 (aktiv) während Perioden mit unzureichender
Spannungsversorgung. Das verhindert, daß die CPU
Anweisungen fehlerhaft ausführt. Normalerweise ist das
für einige Millisekunden während des Einschaltens
oder beim Ausschalten der Fall. Die Brownout-Schaltung stellt
im wesentlichen sicher, daß der Microcontroller richtig
startet.
Einige Leute mögen sich wundern, warum eine Diode parallel
zur Spule liegt und so gepolt ist, daß sie sinnlos
scheint. Diese Diode ist sehr wichtig. Beim Ausschalten des
Stromes an dem Relai würde die Spule eine sehr hohe
Spannung induzieren, die den Microcontroller sofort
zerstören kann. Diese induzierte Spannung hat
entgegengesetzte Polarität zur Betriebsspannung an der
Spule. Die Diode kann eine ganz kleine billige Diode im
Glasgehäuse sein, aber es ist wichtig, daß sie
vorhanden ist.
Wie man eine Platine erstellt
Um die Platine zu ätzen, muß zuerst diese Postscriptdatei
(linuxlcdpanel.ps.gz) auf eine transparente Folie
ausgedruckt werden. In Läden für Architekten kann man
eine semitransparente Plasikfolie namens Sinolit finden. Sie
wird von der Firma Regulus hergestellt und ist für den
Offsetdruck gedacht. Eine andere gute Alternative ist 60g
Papier + Pausklarspray von Kontakt Chemie. Der Vorteil von
Papier und Sinolit ist, daß der Druckertoner dort 100%ig
haftet.
Ich habe die Postscriptdatei auch in PDF
umgewandelt für den Fall, daß du kein Postscript
drucken kannst, aber die Qualität ist sehr schlecht.
Die Belichtungszeit für fotobeschichtete Platinen
hängt von der Lichtquelle ab. Bei einem Heimsolarium sind
es etwa 1-2 Minuten. Man kann auch Tageslicht benutzen, aber
direkte Sonneneinstrahlung sollte man vermeiden, da die
Strahlung einfach zu stark ist. Man sollte vorher die beste
Belichtungszeit mit einem kleinen Streifen Platine ermitteln.
Die Folie und die Platine legt man während des Belichtens
am besten unter eine Glasplatte, damit die Folie ganz plan
liegt.
![[before etching]](../../common/images/article236/pic01_beforeetching_th.jpg) |
| Die belichtete und entwickelte Platine vor dem
Ätzen |
Die belichtete Platine wird für einige Minuten in
Natriumhydroxid (NaOH) entwickelt. Danach sollte man das
Ergebnis sorgfältig prüfen und gegebenenfalls
Korrekturen mit einem ätzfesten Edding 780 Lackstift
(Edding 780 paint marker) vornehmen. Ich zeichne
gewöhnlich die Pads für die Bauteile etwas
größer, weil die von Eagle vorgegegebene
Größe für Hobbyzwecke zu klein ist.
![[after etching]](../../common/images/article236/pic02_boardready_th.jpg) |
| Das fertige Board vor dem Bohren der Löcher |
Aus irgendeinem Grund scheint es unmöglich für die
Hersteller von Relais zu sein, sich auf eine
Anschlußbelegung zu einigen. Ich habe ein kleines Relai,
das von Matsushita hergestellt wurde benutzt. Dein Relai wird
vermutlich anders aussehen und du mußt daher die Platine
anpassen. Das geht am besten mit so einem ätzfesten Edding
Lackstift.
Wenn Du mit den Bahnen auf der Platine zufrieden bist, kannst Du
sie in FeCl3 (Eisendreichlorid) ätzen. FeCl3 hat eine gute
Ätzgeschwindigkeit bei Raumtemperatur. Es ist einfach zu
benutzen und daher gut für Hobbyzwecke geeignet. Man
bekommt die besten Ergebnisse, wenn die Platine in der
Ätzlösung steht. Kupferionen sind schwerer als Eisen
und sammeln sich deshalb am Boden des Gefäßes an.
Liegt dort die Platine, so verlangsamt sich die
Ätzgeschwindigkeit sehr schnell.
Wenn die Platine fertig ist, spühlt man sie mit Wasser ab
und wischt den Eddingstift mit Terpentin ab. Den Fotolack kann
man auf den Bahnen lassen. Er verdampft beim Löten und
schützt die ungelöteten Bahnen.
Die Software für deinen Microcontroller
Die Software für den Microcontroller ist auf folgende
Dateien aufgeteilt:
- lcd.c, lcd.h,
lcd_hw.h: Das ist eine allgemeine LCD Library. Sie
basiert auf der Arbeit von Peter Fleury
(http://jump.to/fleury). Diese Version ist jedoch etwas
modifiziert und flexibler. Man kann die LCD Hardware an
jeden Pin des Microcontrollers anschließen. Dazu
muß man lediglich die Definitionen in lcd_hw.h
ändern.
- avr-util.c,
avr-util.h: Funktionen zur Zeitverzögerung.
- uart.c,
uart.h: Das ist die Library für das RS232 Interface.
Es werden Hardwareinterrupts benutzt. Jedesmal, wenn ein
Zeichen vom Computer empfangen wird, wird die Funktion
SIGNAL(SIG_UART_RECV) aufgerufen und das Zeichen wird in
einen String kopiert. Die ASCII Befehle für das
Kontrollfeld sind so aufgebaut, daß ein kompletter
Befehl immer eine Zeile ist (mit Newline endet). Wenn ein
Newline gefunden wird, dann wird die Variable
uart_rx_linecomplete gesetzt. Das bedeutet, daß man die
Befehle nicht zu schnell hintereinander schicken darf. Es
muß immer einige Millisekunden Pause geben, damit der
String ausgewertet werden kann, bevor er durch einen neuen
Befehl überschrieben wird. Jeder Befehl wird durch ein
Ergebnis, ein ok oder err (für Error) beantwortet. Das
kann man als Auslöser benutzen, um den nächsten
Befehl zu schicken.
- analog.c,
analog.h: Der Programmcode für den Analogdigitalwandler.
Er funktioniert auch mit Interrupts. Ein
Konvertierungsvorgang wird gestartet und dann wartet das
Programm auf den SIG_ADC Interrupt, um das Ergebis aus dem
ADC Register zu lesen.
- hardwarewd.c,
hardwarewd.h: Das ist der Code für die Watchdog. Wir
benutzen einen internen Teiler (durch 1024), um Pulse für
den Timer zu liefern. Der Timer ist ein 16 bit register. Wenn
dieses überläuft, dann zählen wir eine 8 Bit
Variable herunter. Bei einem 4MHz Quarz wird diese 8 Bit
Variable ungefähr alle 16 Sekunden heruntergezählt.
Das Perlprogramm auf dem Server zeigt, daß es am Leben
ist, indem es die 8 Bit Variable regelmäßig wieder
auf einen Anfangswert setzt. Sollte das mal nicht passieren
(weil der Server hängt), dann wird die 8 Bit Variable
irgendwann auf Null gehen und das Relai macht klick-klack und
der Server bekommt ein CPU reset.
- linuxlcdpanel.c: Das ist
das Hauptprogramm. Es überprüft
regelmäßig, ob Kommandos am RS232 Interface
angekommen sind oder einer der Taster gedrückt
wurde.
Um die Software im Detail zu verstehen, empfehle ich das
Datenblatt für den Microcontroller zu lesen. Das
Datenblatt findet man im Abschnitt Referenzen am Ende des
Artikels oder auf der Atmel Webseite (www.atmel.com).
Um jedoch dieses Kontrollfeld benutzen zu können, braucht
man die Software überhaupt nicht zu verstehen. Man
muß lediglich den Quellcode auspacken
(linuxlcdpanel-0.7.tar.gz gibt's auf der download Seite) und dann
make
make load
tippen. Man kann sogar einfach die schon vorkompilierte
Software benutzen und sie mit
make loadprebuild
in den Microcontroller laden. Ganz einfach. Eine Beschreibung,
wie man den Microcontroller programmiert und was man dazu
braucht, findet sich im ersten Artikel: Den AVR Microcontroller mit GCC
programmieren.
Testen
Das LCD Kontrollfeld ist so gebaut, daß man es an die 5V
interne Stromversorgung im Linux Server anschließen kann
(rotes Kabel=5V, schwarzes Kabel=Masse=0V). Man sollte die
Schaltung jedoch niemals sofort und ungetestet an den Computer
anschließen. Es könnte sein, daß du einen
kleinen Fehler beim Aufbau gemacht hast. Die Stromversorgung des
Rechners ist sehr leistungsfähig und ein Fehler
könnte den Rechner beschädigen und die Schaltung in
Rauch aufgehen lassen.
Man sollte zum Testen eine strombegrenzte und elektronisch
stabilisierte Laborspannungsquelle benutzen. Nachdem die
Versorgungsspannung angeschlossen ist, kann man die Software
wie oben angegeben in den EEPROM laden. Sobald das geschehen
ist, sollte man einen Lauftext mit "linuxfocus.org" in der LCD
Anzeige sehen. Als nächstes wird die RS232 Schnittstelle
angeschlossen:
MAX232 Pin 14 an CTS (DB-9 Pin 8)
MAX232 Pin 7 an RXD (DB-9 Pin 2)
MAX232 Pin 13 an TXD (DB-9 Pin 3)
Man muß außerdem DTR, DSR und CD miteinander
verbinden (DB-9 Pin 4, 6 und 1)
Das ist auch kurz in dem Schaltplan oben angegeben.
Bevor man die serielle Schnittstelle
benutzen kann, muß man sie initialisieren. Das
Quellcodearchiv, linuxlcdpanel-0.7.tar.gz, enthält ein
Programm namens ttydevinit, das diese Initialisierung
übernimmt. Falls das Kontrollfeld und COM2 (ttyS1)
angeschlossen sind, dann muß man einmal folgendes Kommando
ausführen:
./ttydevinit /dev/ttyS1
Nun ist die serielle Schnittstelle im Server initialisiert
für eine Übertragungsrate von 9600 Baud und du kannst
mit dem Kontrollfeld "reden". Dazu öffnet man zwei xterm
Fenster. In einem tippt man "cat /dev/ttyS1" und in dem anderen
"cat > /dev/ttyS1". Nun kann man z.B l=11 (LED 1 wird
eingeschaltet) oder l=10 (LED 1 aus) eintippen. In dem ersten
xterm Fenster sieht man, daß das Kontrollfeld immer auf
die Befehle mit "ok" antwortet.
Alle verfügbaren Befehle sind in der Datei README.commands
erklärt.
Das Quellcodearchiv enthält auch ein Perlscript namens
ttytest.pl, das nichts anderes macht, als die rote LED in
Abständen ein und wieder auszuschalten. Es ist gedacht als
ein einfaches Beispielprogramm, in dem man sehen kann, wie das
Kontrollfeld angesteuert wird. Du kannst es benutzen, um deine
eigenen Programme zu schreiben. Dazu brauchst Du nur
Grundkenntnisse in Perl.
Die Watchdog anschließen
Die Watchdog ist standardmäßig aus. Man schaltet sie
mit dem Befehl w=1 an und man setzt die Zeit mit s=x, wobei x
einen Wert zwischen 1 und 255 haben muß. s=10 setzt den
Watchdog-timeout auf 10*16sec=160sec. Das Ansteuerprogramm
muß diesen Wert periodisch setzen, um zu verhindern,
daß die Watchdog zuschlägt. Falls sich der Server
irgendwann mal aufhängt, dann wird dieser Wert nicht
gesetzt, und wenn er auf Null heruntergezählt hat, gibt es
einen Reset. Linuxserver sind sehr stabil und bleiben fast nie
stehen. Wenn es jedoch mal passiert, ist meist niemand da, der den
Resetknopf drücken könnte oder niemand weiß, wo der
Server steht, weil er noch nie Probleme gemacht hat.
Die Watchdog ist so gebaut, daß sie nur einmal
zuschlägt. Das verhindet, daß sie während des
vermutlich folgenden Filesystem Check schon wieder
zuschlägt.
Um die Watchdog physikalisch anzuschließen, muß man
die zwei Drähte finden, die zu dem Resettaster am Server
führen. Das Relai unserer Watchdog wird parallel dazu
angeschlossen.
Wie man die Watchdog benutzt
Die Watchdog stellt sicher, das der Server immer Programme
ausführen kann. Sie stellt nicht sicher, daß ein
Webserver läuft oder die Datenbank antwortet. Um so etwas
zu überprüfen, sollte man crontab oder ein anderes
Programm benutzen. Man kann recht sicher sein, daß
crontab vermutlich funktioniert, weil die Watchdog sicherstellt,
daß Software im allgemeinen immer noch ausgeführt
werden kann.
Man kann z.B ein Script schreiben, das von cronjob
regelmäßig ausgeführt wird und alle 15 Minuten
eine Webseite von dem Webserver herunterlädt. Es ist
jedoch Vorsicht geboten. Ein Webserver kann mit zu vielen
Anfragen überladen sein. In diesem Fall ist es normal,
daß er nicht alle beantwortet. Man sollte daher
zählen, wie oft der Server versagt hat und ihn erst
über das Script rebooten, falls er z.B die letzten 10 mal
nicht geantwortet hat. Hier reicht ein normaler reboot
(shutdown -r), ein Reset über die Watchdog ist nicht
erforderlich.
Abgesehen von den Applikationen sollte man auch den freien
Plattenplatz überwachen. Das folgende Shellscript gibt z.B.
nur etwas zurück, wenn 80% oder mehr von einer Partition belegt
sind.
df | egrep ' (8.%|9.%|100%) '
Über crontab kann man damit regelmäßig
prüfen, ob noch genug Platz vorhanden ist und eine e-Mail
schicken, wenn der Platz knapp wird (corntab verschickt
Bildschirmausgaben automatich per e-Mail).
Die Scripte auf dem Server
Fast die gesamte Logik für unser Linux LCD Kontrollfeld
ist in einem Perlscript namens llp.pl implementiert. Kopiere
diese Datei nach /usr/sbin/. Als nächstest kopiere die
Datei ttydevinit nach /usr/bin und die Datei ifconfig_llp.txt
(aus dem etc Verzeichnis im Quellcodearchiv) nach /etc. Nun
editiere die Datei ifconfig_llp.txt und ändere die
Adressen wie gewünscht.
NETMASK=255.255.255.0
IPADDR=10.0.0.4
GATEWAY=10.0.0.2
Nun sollte man eine Sicherheitskopie der Datei
/etc/rc.d/init.d/network erstellen und dann die Datei
etc/network aus dem Quellcodearchiv nach
/etc/rc.d/init.d/network kopieren. Dieses Script und die
Verzeichnisnamen beziehen sich auf Redhat und Mandrake. Das
Script etc/network_all_distributions ist ein etwas einfacheres
Script, das für alle Distributionen geeignet ist, man
muß jedoch selbst herausfinden, wo in einer gegebenen
Linuxdistribution die init-rc Verzeichnise sind. Das ist immer
etwas unterschiedlich von Linuxdistribution zu Linuxdistribution.
Editiere nun die Datei /etc/rc.d/init.d/network und ändere
die Zeile
/usr/sbin/llp.pl /dev/ttyS1&,
falls du nicht COM2 benutzt.
Nun kann man
/etc/rc.d/init.d/network start
tippen und das Kontrollfeld füllt sich mit Leben. Beachte:
es ist unproblematisch, die IP Adressen über das
Kontrollfeld zu ändern. Sie werden erst beim nächsten
Reboot wirksam. Man kann daher alles austesten und
anschließend die Werte wieder zurücksetzen (man kann
auch einfach die Datei /etc/ifconfig_llp.txt editieren, um die
Änderungen rückgängig zu machen).
Log files
Das llp.pl Script schreibt ein Logfile nach /var/log/llp.log.
Diese Datei wird nur sehr langsam größer. Es sollte
normalerweise keine Notwendigkeit geben, sie über logrotate
zu rotieren. Man kann es jedoch machen. Es ist kein post rotate
Befehl in logrotate dazu nötig. Ein Konfigurationseintrag
für logrotate könnte so aussehen:
/var/log/llp.log {
nocompress
monthly
}
Das Log enthält Einträge, wenn das System manuell
heruntergefahren wird, eine IP Adresse geändert wurde
(IP, GW, netmask) oder wenn es einen Watchdog Reset gab.
Naturgemäß kann man den Watchdog Timeout nicht
loggen, wenn er passiert. Er wird beim nächsten Hochfahren
in das Log geschrieben.
Das Kontrollfeld im Betrieb
Hier sind einige Fotos der LCD Anzeige. Es sind nur Beispiele.
Die Anzeige verfügt über wesentlich mehr
Möglichkeiten und man kann seine eigenen Sachen
hinzufügen.
Das Hauptmenü. Es zeigt einen Namen (Linuxfocus in diesem
Fall) und die Uptime sowie CPU load. Es ändert sich
periodisch von selbst.
Das IP Konfigurationsmenü
Ein Beispiel, wie die IP Adresse gerade geändert wird.
... und wie die Gateway Adresse (default route) geändert
wird
Zusammenfassung
Um
dieses Kontrollfeld zu bauen, ist etwas an Hobbyelektronikgeschick nötig,
aber es ist keine komplizierte Schaltung.
Dieses Linux Kontrollfeld bietet mehr Funktionen als jedes
andere LCD Bedienfeld, das ich bisher gesehen habe, es ist sehr
allgemein gehalten und preiswert.
Frohes löten :-)
Referenzen
Talkback für diesen Artikel
Jeder Artikel hat seine eigene Seite für Kommentare und Rückmeldungen. Auf dieser Seite kann jeder eigene Kommentare abgeben und die Kommentare anderer Leser sehen:
2005-02-11, generated by lfparser version 2.52